Оставьте ваш номер телефона и мы Вам перезвоним
Оставьте ваш номер телефона и мы Вам перезвоним
НПП "КОРРСЕНС" - Производственное Заводское подразделение Группы Компаний "ТЕПЛОПРИБОР"
производит высококачественное оборудование для коррозионного мониторинга марки "Коррсенс +",
которое положительно зарекомендовало себя в ведущих нефтегазовых предприятий как
РОСНЕФТЬ, ГАЗПРОМНЕФТЬ, РУССНЕФТЬ, ТАТНЕФТЬ, BP, ТНК-Нижневартовск, Нефтесервис
и многих других нефтегазодобывающий компаниях России и СНГ и Европе.
Если вы нашли продукцию дешевле - мы дадим цену ниже !
*скидка предоставляется при заказе от 100 000 рублей.
БЕСПЛАТНАЯ КОНСУЛЬТАЦИЯ
Наше собственное производство готово произвести специализированное оборудование для коррозионного мониторинга на заказ по опросным листам или чертежам Заказчика.
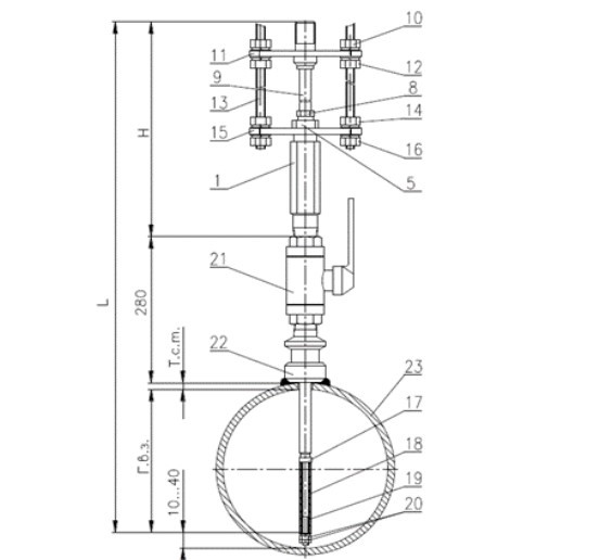
Узел контроля коррозии в сборе (УКК)
Устройство ввода + Зонд ОСК
Узел контроля коррозии в сборе (УКК)
Применение
УКК предназначен для определения общей скорости коррозии в трубопроводе гравиметрическим методом без остановки работы.
Комплектность УКК (Устройсво ввода + Зонд ОСК):
Состав устройства ввода:
Состав Зонда ОСК:


Цена от 20500 рублей/шт
Получить консультацию!
Образец-свидетель коррозии ОСК
Плоские и цилиндрические ОСК
купоны для различных Зондов

Плоские и Цилиндрические Образцы-свидетели коррозии ОСК (ОСКЦ)
Цена от 150-00 рублей/шт



Материал: сталь 3,сталь 20,сталь 10, сталь 09Г2С, сталь 12Х18Н10Т, медь, латунь, чугун и др.
Различные размеры и шероховатость, индивидуальная упаковка, маркировка, взвешивание, уплотнитель
Получить консультацию!
Зонд ОСК
гравиметрический без/с пробозаборником (2 в 1)

Зонд ОСК (4МПа , 16МПа)
| Наименование характеристики | Значение |
| Номинальное давление среды в трубопроводе, не более | 4,0- 30,0 МПа (40-300 Атм) |
| Рабочая/общая длина зонда, мм | 550/4000 (в зависимости от модификации) |
| Диаметр трубопровода | От 30 мм до 1800 мм |
| Материал лубрикатора/купонодержателя | Сталь 20/09Г2С/ Нерж.сталь |
| Температура рабочей среды трубопровода, не более | +200°С |
| Температура окружающего воздуха | от - 55 до +55°С |
Применение
УКК с/без пробоотборником предназначен для определения скорости коррозии гравиметрическим методом и отбора проб жидкости в трубопроводе без извлечения ОСК
Комплектность Зонда ОСК с пробозаборником:
Цена от 14 200-00 рублей/шт


Получить консультацию!
Зонд LPR
Метод линейной поляризации

Зонд LPR
| Наименование характеристики | Значение |
| Номинальное давление среды в трубопроводе, не более | 4,0- 25,0 МПа (40-250 Атм) |
| Рабочая/общая длина зонда, мм | 550/4000 (в зависимости от модификации) |
| Диаметр трубопровода | От 60 мм до 800 мм |
| Материал лубрикатора/купонодержателя | Сталь 20/09Г2С/ Нерж.сталь |
| Температура рабочей среды трубопровода, не более | +200°С |
| Температура окружающего воздуха | от минус 55 до +55°С |
Цена от 13 200-00 рублей/шт

Получить консультацию!
Зонд ER
Зонд ER
| Наименование характеристики | Значение |
| Номинальное давление среды в трубопроводе, не более | 4,0- 16,0 МПа (40-160 Атм) |
| Рабочая/общая длина зонда, мм | 550/4000 (в зависимости от модификации) |
| Диаметр трубопровода | От 60 мм до 800 мм |
| Материал лубрикатора/купонодержателя | Сталь 20/09Г2С/ Нерж.сталь |
| Температура рабочей среды трубопровода, не более | +200°С |
| Температура окружающего воздуха | от минус 55 до +55°С |
Применение: Зонд ОСК предназначен для определения общей скорости коррозии в трубопроводе гравиметрическим методом
Состав Зонда ОСК:
Цена от 35 200-00 рублей/шт

Получить консультацию!
Образец-свидетель солеотложений ОСС
Плоские купоны ОСС
Образец-свидетель коррозии ОСК
Материал: сталь 12Х18Н10Т
Различные размеры, индивидульная упаковка, маркировка, уплотнитель фторопласт
Цена от 150-00 рублей/шт


Получить консультацию!
Инжектор для реагентов
Инжектор для реагентов
Инжектор для реагентов 4МПа, 16МПа
Наименование характеристик | Значение |
| Номинальное давление среды в трубопроводе, не более | 16,0 МПа (160 кгс/см2)16,0 МПа (160 кгс/см2) |
| Класс герметичности по ГОСТ 9544-93Класс герметичности по ГОСТ 9544-93 | А |
| Рекомендуемый диаметр трубопровода | от 114 до 530 мм |
| Температура рабочей среды трубопровода, не более | +200С |
| Температура окружающего воздуха | от минус 50 до +50С |
| Рабочая/общая длина инжектора, мм | 550/1040 |
| Масса инжектора (без упаковки), не более | 6,0 кг. |

Инжектор предназначен для дозирования реагентов в трубопровод
Цена от 25000-00 рублей
Получить консультацию!
Пробоотборник для трубопровода
Пробоотборник
| Наименование характеристики | Значение |
| Номинальное давление среды в трубопроводе, не более | 4,0- 25,0 МПа (40-250 Атм) |
| Рабочая/общая длина зонда, мм | 550/4000 (в зависимости от модификации) |
| Диаметр трубопровода | От 60 мм до 800 мм |
| Материал лубрикатора/купонодержателя | Сталь 20/09Г2С/ Нерж.сталь |
| Температура рабочей среды трубопровода, не более | +200°С |
| Температура окружающего воздуха | от минус 55 до +55°С |
Цена от 12500-00 рублей/шт


Получить консультацию!
Устройство ввода
Кран шаровый, фитинг, переходник
Устройство ввода (4МпПа , 16МПа)
Состав устройства ввода:
Цена от 5 000-00 рублей/шт

Получить консультацию!
Комплектующие: лубрикатор, купонодержатель, сальниковый узел
4Мпа, 16Мпа
Комплектующие оборудования коррозионного мониторинга
Материал: сталь 3,сталь 20,сталь 10, сталь 09Г2С, сталь 12Х18Н10Т, и др.
Различные размеры, индивидульная упаковка, маркировка, уплотнитель фторопласт
Цена от 3100-00 рублей/шт

Получить консультацию!
Зонд ОСК
гравиметрический
Зонд ОСК (4МПа, 16МПа)
| Наименование характеристики | Значение |
| Номинальное давление среды в трубопроводе, не более | 4,0- 25,0 МПа (40-250 Атм) |
| Рабочая/общая длина зонда, мм | 550/4000 (в зависимости от модификации) |
| Диаметр трубопровода | От 60 мм до 800 мм |
| Материал лубрикатора/купонодержателя | Сталь 20/09Г2С/ Нерж.сталь |
| Температура рабочей среды трубопровода, не более | +200°С |
| Температура окружающего воздуха | от минус 55 до +55°С |
Применение: Зонд ОСК предназначен для определения общей скорости коррозии в трубопроводе гравиметрическим методом
Состав Зонда ОСК:
Цена от 11 500-00 рублей/шт (40-160Атм)

Получить консультацию!
Узел отбора проб
Узел отбора проб
| Наименование характеристики | Значение |
| Номинальное давление среды в трубопроводе, не более | 1,0- 10,0 МПа |
| Рабочая | нефтепродукты, вода, газ |
| Климатическое исполнение | У / ХЛ1 |
| Материал | Сталь 20/09Г2С/ Нерж.сталь |
| Температура рабочей среды трубопровода, не более | +200°С |
| Температура окружающего воздуха | от минус 65 до +55°С |
Предназначен для отбора пробы из неоднородного потока различных сред из трубопроводов: жидкостей, газов, газожидкостных сред; применяется на технологических трубопроводах, сосудах и аппаратах, работающих под давлением, без прекращения перекачивания и потери продукта, на предприятиях нефтегазовой промышленности, а так же на предприятиях ТЭК
Цена от 50 000-00 р/шт

Получить консультацию!
Образец-свидетель био-отложений ОСБ
Плоские купоны ОСБ
Образец-свидетель био-отложений
Материал: сталь 12Х18Н10Т
Различные размеры, индивидульная упаковка, маркировка, уплотнитель фторопласт
Цена от 150-00 рублей/шт

Получить консультацию!
ИНДИКАТОР КОРРРОЗИИ марки «КОРРСЕНС»
ИКТ – 40
ИНДИКАТОР КОРРРОЗИИ марки «КОРРСЕНС» ИКТ – 40
Индикатор коррозии тепловых сетей «ИКТ-40» предназначен для оценки интенсивности процессов внутренней коррозии в тепловых сетях.
Наименование характеристик | Значение |
Условный проход теплопровода, мм | от 40 |
Давление рабочее, МПа (кгс/см2), не более | 4,0 (40) |
Давление испытательное, МПа (кгс/см2), не более | 5,5 (55) |
Габаритные размеры, мм, не более | |
диаметр высота | 195 |
Масса, кг, не более | 7 |
Цена 9 000 рублей/шт

Получить консультацию!
ИНДИКАТОР КОРРРОЗИИ марки «КОРРСЕНС»
ИКТ – 50
ИНДИКАТОР КОРРРОЗИИ марки «КОРРСЕНС» ИКТ – 50
Индикатор коррозии тепловых сетей «ИКТ-50» предназначен для оценки интенсивности процессов внутренней коррозии в тепловых сетях.
Наименование характеристик | Значение |
| Условный проход теплопровода, мм | От 40 |
| Рабочее давление, кгс/см2, не более | 16 |
| Габаритные размеры, мм, не более | |
| длина высота ширина | 500 |
| Масса (сухая), кг, не более | 7 |
Цена от 10 000 рублей/шт

Получить консультацию!
ИНДИКАТОР КОРРОЗИИ
ИХЛ ИК-30 
ИНДИКАТОР КОРРРОЗИИ ИХЛ ИК-30
Индикатор коррозии тепловых сетей «ИХЛ ИК-30» предназначен для оценки интенсивности процессов внутренней коррозии в тепловых сетях. 
| Наименование характеристик | Значение |
| Условный проход теплопровода, мм | от 89 |
| Давление рабочее, МПа (кгс/см2), не более | 1,6 (16) |
| Давление испытательное, МПа (кгс/см2), не более | 2,5 (25) |
| Габаритные размеры, мм, не более | |
| диаметр высота | 195 280 |
| Масса, кг, не более | 8 |
Цена от 10 000 рублей/шт
ИНДИКАТОР КОРРОЗИИ
ИХЛ ИК-30м 
ИНДИКАТОР КОРРРОЗИИ ИХЛ ИК-30м
Индикатор коррозии тепловых сетей «ИХЛ ИК-30м» предназначен для оценки интенсивности процессов внутренней коррозии в тепловых сетях. 
| Наименование характеристик | Значение |
| Условный проход теплопровода, мм | от 89 |
| Давление рабочее, МПа (кгс/см2), не более | 1,6 (16) |
| Давление испытательное, МПа (кгс/см2), не более | 2,5 (25) |
| Габаритные размеры, мм, не более | |
| диаметр высота | 195 280 |
| Масса, кг, не более | 8 |
ИНДИКАТОР КОРРОЗИИ
ИХЛ ИК-31 
ИНДИКАТОР КОРРРОЗИИ ИХЛ ИК-31
Индикатор коррозии тепловых сетей «ИХЛ ИК-31» предназначен для оценки интенсивности процессов внутренней коррозии в тепловых сетях.
Наименование характеристик | Значение |
| Условный проход теплопровода, мм | От 40 |
| Рабочее давление, кгс/см2, не более | 16 |
| Габаритные размеры, мм, не более | |
| длина высота ширина | 500 |
| Масса (сухая), кг, не более | 7 |
Цена от 15 000 рублей/шт
Получить консультацию!
ИНДИКАТОР КОРРОЗИИ
ИХЛ ИК-31м
ИНДИКАТОР КОРРРОЗИИ ИХЛ ИК-31м
Индикатор коррозии тепловых сетей «ИХЛ ИК-31м» предназначен для оценки интенсивности процессов внутренней коррозии в тепловых сетях.
Наименование характеристик | Значение |
| Условный проход теплопровода, мм | От 40 |
| Рабочее давление, кгс/см2, не более | 16 |
| Габаритные размеры, мм, не более | |
| длина высота ширина | 500 |
| Масса (сухая), кг, не более | 7 |
Цена от 15 000 рублей/шт
Получить консультацию!
Контакты
Звоните и присылайте запросы для уточнения:
ТЕЛЕФОН
+7-495-101-39-98 Завод "Теплоприбор"
+7-495-155-67-48 Торговый Дом "ТХП"
Завод "ТЕПЛОПРИБОР" email: zavodteplopribor@yandex.ru
ПОЧТА
zavodteplopribor@yandex.ru
info@ztp24.ru
АДРЕС
125284 Москва, Хорошевское ш., д.42.
Отправить заявку
Сайт разработан Медиа агентством - CULTURE
Политика конфиденциальности
Редактируемый текст
Данный сайт использует Cookie
Редактируемый текст